新闻中心

专业从事电子元器件代理、贸易及相关集成电路研发服务的高新科技公司

它的内部结构是由多个半导体芯片以及电阻、电

作者:emc体育官网  日期:2026-02-05  浏览:  来源:emc体育

  在我们阐明半导体芯片之前,我们先应该了解两点。其一半导体是什么,其二芯片是什么。

  半导体( semiconductor),指常温下导电性能介于绝缘体(insulator)与导体(conductor)之间的材料。人们通常把导电性差的材料,如煤、人工晶体、琥珀、陶瓷等称为绝缘体。而把导电性比较好的金属如金、银、铜、铁、锡、铝等称为导体。与导体和绝缘体相比,半导体材料的发现是最晚的,直到20世纪30年代,当材料的提纯技术改进以后,半导体才得到工业界的重视。常见的半导体材料有硅、锗、砷化镓等,而硅则是各种半导体材料中,在商业应用上最具有影响力的一种。

  芯片(chip),又称微芯片(microchip)、集成电路(integrated circuit, IC)。是指内含集成电路的硅片,体积很小。一般而言,芯片(IC)泛指所有的半导体元器件,是在硅板上集合多种电子元器件实现某种特定功能的电路模块。它是电子设备中最重要的部分,承担着运算和存储的功能。广泛应用于军工、民用等几乎所有的电子设备。

  讲到这里你大概对于半导体和芯片有个简单了解了,接下来我们来聊聊半导体芯片。

  一般情况下,半导体、集成电路、芯片这三个东东是可以划等号的,因为讲的其实是同一个事情。

  半导体是一种材料,分为表格中四类,由于集成电路的占比非常高,超过80%,行业习惯把半导体行业称为集成电路行业。

  所以对于小白来说,只需要记住,当芯片、集成电路、半导体出现的时候,别慌,是同一码事儿。

  半导体芯片虽然个头很小。但是内部结构非常复杂,尤其是其最核心的微型单元成千上万个晶体管。我们就来为大家详解一下半导体芯片集成电路的内部结构。一般的,我们用从大到小的结构层级来认识集成电路,这样会更好理解。

  我们还是以手机为例,整个手机是一个复杂的电路系统,它可以玩游戏、可以打电话、可以听音乐、可以哔--。它的内部结构是由多个半导体芯片以及电阻、电感、电容相互连接组成的,称为系统级。(当然,随着技术的发展,将一整个系统做在一个芯片上的技术也已经出现多年SoC技术)

  在整个系统中分为很多功能模块各司其职。有的管理电源,有的负责通信,有的负责显示,有的负责发声,有的负责统领全局的计算,等等。我们称为模块级。这里面每一个模块都是一个宏大的领域,都聚集着无数人类智慧的结晶,也养活了很多公司。

  那么每个模块都是由什么组成的呢?以占整个系统较大比例的数字电路模块(它专门负责进行逻辑运算,处理的电信号都是离散的0和1)为例。它是由寄存器和组合逻辑电路组成的。

  寄存器是一个能够暂时存储逻辑值的电路结构,它需要一个时钟信号来控制逻辑值存储的时间长短。

  实际应用中,我们需要时钟来衡量时间长短,电路中也需要时钟信号来统筹安排。时钟信号是一个周期稳定的矩形波。现实中秒钟动一下是我们的一个基本时间尺度,电路中矩形波震荡一个周期是它们世界的一个时间尺度。电路元件们根据这个时间尺度相应地做出动作,履行义务。

  什么是组合逻辑呢,就是由很多“与(AND)、或(OR)、非(NOT)”逻辑门构成的组合。比如两个串联的灯泡,各带一个开关,只有两个开关都打开,灯才会亮,这叫做与逻辑。

  一个复杂的功能模块正是由这许许多多的寄存器和组合逻辑组成的。把这一层级叫做寄存器传输级。

  寄存器传输级中的寄存器其实也是由与或非逻辑构成的,把它再细分为与、或、非逻辑,便到达了门级(它们就像一扇扇门一样,阻挡/允许电信号的进出,因而得名)。

  无论是数字电路还是模拟电路,到最底层都是晶体管级了。所有的逻辑门(与、或、非、与非、或非、异或、同或等等)都是由一个个晶体管构成的。因此集成电路从宏观到微观,达到最底层,满眼望去其实全是晶体管以及连接它们的导线。

  双极性晶体管(BJT)在早期的时候用的比较多,俗称三极管。它连上电阻、电源、电容,本身就具有放大信号的作用。像堆积木一样,可以用它构成各种各样的电路,比如开关、电压/电流源电路、上面提到的逻辑门电路、滤波器、比较器、加法器甚至积分器等等。由BJT构建的电路我们称为TTL(Transistor-TransistorLogic)电路。BJT的电路符号长这个样子:

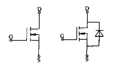
  但是后来金属-氧化物半导体场效应晶体管(MOSFET)的出现,以优良的电学特性、超低的功耗横扫IC领域。除了模拟电路中BJT还有身影外,基本上现在的集成电路都是由MOS管组成的了。同样的,由它也可以搭起来成千上万种电路。而且它本身也可以经过适当连接用来作电阻、电容等基本电路元件。MOSFET的电路符号如下:

  宗上所述,在实际工业生产中,芯片的制造,实际上就是成千上万个晶体管的制造过程。只不过现实中制造芯片的层级顺序正好反过来了,是从最底层的晶体管开始一层层向上搭建。

  也就是说,按照“晶体管-》芯片-》电路板”的顺序,我们最终可以得到电子产品的核心部件电路板。

上一篇:地位:消费电子AC-DC根基深 下一篇:编辑:何玥阳 1月14日

网站地图